AXI 2826/6 V2 střídavý motor
Kód: 3EL1056100V2Detailní popis produktu
Nová generace motorů AXI 2826/xx V2 má vyšší výkon díky svému propracovanému designu, který ve spojení s integrovaným chladícím systémem na principu turbínového efektu proudění vzduchu udržuje vinutí motoru chladnější až o 20%.
Robustní a spolehlivé vysokovýkonné střídavé motory řady AXI 2826/xx V2 s otočným pláštěm a neodymovými magnety mají kalenou hřídel o průměru 5 mm uloženou ve třech kuličkových ložiscích, která zajišťují velmi dobrou mechanickou stabilitu při normální i obrácené montáži a dovolují vysoká dynamická zatížení běžná při akrobatickém létání a zaručují velmi vysokou životnost. Rotory motorů řady AXI 2826/xx V2 jsou vyváženy na nejmodernějším dynamickém vyvažovacím zařízení od renomované společnosti Schenck. Kvalitní japonská ložiska, dodávaná do motorů řady V2 se vyznačují vyšší životností a tichým chodem.
Motory řady AXI 2826/xx V2 jsou díky svému velkému kroutícímu momentu vhodné pro přímý pohon velkých vrtulí bez nutnosti použít převodovku, což zajišťuje velmi dobrou účinnost celého pohonu.
| Systém označování motorů: AXI xxYY/zz |
| xx - průměr statoru v mm |
| YY - délka statoru v mm |
| zz - počet závitů |
AXI 2826/6 V2 je střídavý motor učený pro pohon modelů s letovou hmotností do 2500 g s napájením z dvou- nebo tříčlánkového akumulátoru Li-poly. Výborně se hodí pro rychlé motorové větroně do 2500 g.
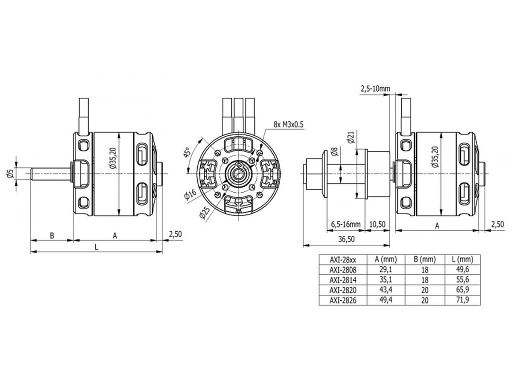
Montáž motoru: AXI 2826/6 V2 je konstruován pro přední i zadní montáž. Při přední montáži za čelo motoru použijte čtyři šrouby M3, které zasahují do čela motoru v rozmezí 3,5-4 mm. Motorová přepážka by měla být z 5 mm letecké překližky.
Sada motoru obsahuje: střídavý motor AXI 2826/6 V2 s kabely, kleštinový unašeč pro pevnou vrtuli, sadu pro zadní montáž, návod.
| Napájení LiXX článků | 2 - 3 |
| Otáčky na volt [ot./min/V] | 1500 |
| Počet závitů | 6 |
| Vnitřní odpor [mOhm] | 25 |
| Proud naprázdno [A] | 3.5 |
| Max. účinnost [%] | 84 |
| Proud při max. účinnosti (η>75%) [A] | 30 - 45 |
| Max. špičkový proud (30 s) [A] | 66 |
| Max. výkon [W] | 665 |
| Průměr [mm] | 35 |
| Délka [mm] | 52 |
| Průměr hřídele [mm] | 5 |
| Hmotnost [g] | 177 |
| Počet pólů | 14 |
| Časování [°] | 15 - 25 |
| Regulátor [A] | 70 - 90 |
| Větroň do hmotnosti [g] | 2500 |
| Doporučená vrtule | 2S: 12x8" |
| Doporučená vrtule | 3S: 10x6" |
Doplňkové parametry
| Kategorie: | Motory |
|---|---|
| EAN: | 8595247302281 |



