KAVAN Brushless Motor PRO 2626-2500
Kód: KAV30.2003Detailní popis produktu
Motory KAVAN PRO jsou vysokovýkonné bezkomutátorové (střídavé, "brushless") čtrnáctipólové elektromotory s rotačním pláštěm ("outrunner") s vynikajícími elektrickými vlastnostmi, propracovanou konstrukcí a špičkovým výrobním zpracováním. Hřídele z tvrzené oceli a kvalitní ložiska zajišťují vysokou životnost, jakostní materiály použité pro zhotovení statoru i rotoru zaručují rovněž výborné výkonové parametry při vysoké účinnosti. Jsou to nízkootáčkové motory s velkým kroutícím momentem zvládající vrtule o velkém průměru i stoupání bez potřeby převodovky.
| Systém označování motorů: PRO xxYY-zzzz |
| PRO - střídavý motor s rotačním pláštěm ("outrunner", "oběžka") |
| xx - průměr motoru v mm |
| YY - délka motoru v mm |
| zzzz - počet otáček na volt (ot./min na V), „KV“ |
KAVAN PRO 2626-2500
KAVAN PRO 2626-2500 je malý střídavý motor učený pro pohon malých modelů s letovou hmotností do 800 g s napájením z dvoulánkového až tříčlánkového akumulátoru LiPo. Výborně se hodí pro rychlé modely se štíhlým trupem, vyžadující vrtule malého průměru s vysokým počtem otáček.
Montáž motoru: KAVAN PRO 2626-2500 je konstruován pro přední i zadní montáž. Při přední montáži za čelo motoru použijte nejméně dva (protilehlé), nebo čtyři šrouby M3, které zasahují do čela motoru v rozmezí 3 - 4 mm. Motorová přepážka by měla být z 2-2,5 mm letecké překližky. Sada pro zadní montáž (upevňovací kříž, unašeč vrtule pro zadní montáž) je dodávána spolu s motorem.
Sada motoru obsahuje: střídavý motor KAVAN PRO 2626-2500 s kabely s připájenými 3,5 mm zlacenými konektory, sadu pro zadní montáž. Úplný návod k obsluze motoru si můžete stáhnout zde: Střídavé motory KAVAN PRO - Návod k obsluze
Pozn.: Alternativní označení dle rozměrů statoru 2012-2500.
| Napájení LiXX článků | 2 - 3 |
| Otáčky na volt [ot./min/V] | 2500 |
| Max. výkon (180 s) [W] | 360 |
| Vnitřní odpor [mOhm] | 36 |
| Proud naprázdno (při 10 V) [A] | 1.7 |
| Max. špičkový proud (180 s) [A] | 35 |
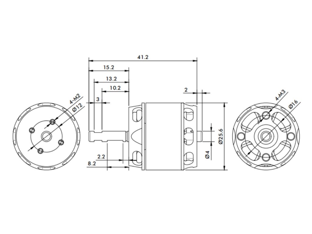
| Průměr [mm] | 25.6 |
| Délka [mm] | 26 |
| Délka celková [mm] | 41.2 |
| Průměr hřídele [mm] | 4 |
| Hmotnost [g] | 51 |
| Počet pólů | 14 |
| Časování [°] | 20 - 25 |
| Regulátor [A] | 40 - 50 |
| Větroň do hmotnosti [g] | 800 |
| Trenér do hmotnosti [g] | 700 |
| Akrobat do hmotnosti [g] | 600 |
| Doporučená vrtule | 2S: 6x4" |
| 3S: 5x5" | |
Doplňkové parametry
| Kategorie: | Motory |
|---|---|
| EAN: | 8596450022416 |



