KAVAN Brushless Motor PRO 8055-190
Kód: KAV30.2037Detailní popis produktu
Motory KAVAN PRO jsou vysokovýkonné bezkomutátorové (střídavé, "brushless") čtrnácti nebo vícepólové elektromotory s rotačním pláštěm ("outrunner") s vynikajícími elektrickými vlastnostmi, propracovanou konstrukcí a špičkovým výrobním zpracováním. Hřídele z tvrzené oceli a kvalitní ložiska zajišťují vysokou životnost, jakostní materiály použité pro zhotovení statoru i rotoru zaručují rovněž výborné výkonové parametry při vysoké účinnosti. Jsou to nízkootáčkové motory s velkým kroutícím momentem zvládající vrtule o velkém průměru i stoupání bez potřeby převodovky.
| Systém označování motorů: PRO xxYY-zzzz |
| PRO - střídavý motor s rotačním pláštěm ("outrunner", "oběžka") |
| xx - průměr motoru v mm |
| YY - délka motoru v mm |
| zzzz - počet otáček na volt (ot./min na V), „KV“ |
KAVAN PRO 8055-190
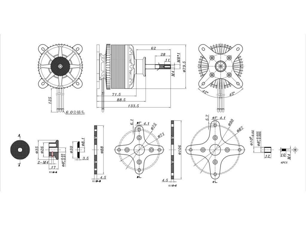
KAVAN PRO 8055-190 je 22pólový střídavý motor učený pro pohon modelů s letovou hmotností do 15 kg s napájením z 10-12článkového akumulátoru LiPo. Výborně se hodí pro modely, do kterých byste jinak montovali dvoutaktní benzínový motor 40 ccm.
Montáž motoru: KAVAN PRO 8055-190 je konstruován pro zadní montáž. Pro upevnění použijte čtyři ocelové šrouby M4; motorová přepážka by měla být z 8-10 mm letecké překližky.
Regulátor: Při výběru regulátoru zvláště dbejte na to, aby šlo o typ konstruovaný pro práci s mnohopólovými motory (běžné regulátory konstruované pro 2-14pólové motory nemusejí pracovat správně).
Sada motoru obsahuje: střídavý motor KAVAN PRO 8055-190 s kabely s připájenými 6 mm zlacenými konektory, sadu pro zadní montáž se dvěma upevňovacími kříži (Ø71/75 a Ø87/90 mm). Úplný návod k obsluze motoru si můžete stáhnout zde: Střídavé motory KAVAN PRO 5050+ - Návod k obsluze
Pozn.: Alternativní označení dle rozměrů statoru 7025-190.
| Napájení LiXX článků | 10 - 12 |
| Otáčky na volt [ot./min/V] | 190 |
| Max. výkon (30 s) [W] | 5150 |
| Vnitřní odpor [mOhm] | 14 |
| Proud naprázdno (při 10 V) [A] | 1.8 |
| Max. špičkový proud (30 s) [A] | 135 |
| Průměr [mm] | 79.5 |
| Délka [mm] | 55 |
| Délka celková [mm] | 138.5 |
| Průměr hřídele [mm] | 8 |
| Hmotnost [g] | 832 |
| Počet pólů | 22 |
| Časování [°] | 15 - 25 |
| Regulátor [A] | 150 - 160 |
| Větroň do hmotnosti [g] | 15000 |
| Trenér do hmotnosti [g] | 10000 |
| Akrobat do hmotnosti [g] | 7000 |
| 3D do hmotnosti [g] | 5500 |
| Doporučená vrtule (12S) | 21x10”-22x10” |
Doplňkové parametry
| Kategorie: | Motory |
|---|---|
| EAN: | 8596450072558 |



