HBL850 (0.071s/60°, 24.9kg.cm)
Kód: MKS10009Detailní popis produktu
Super silné a super rychlé programovatelné digitální standardní servo se střídavým motorem, kovovými převody a výstupní hřídelí uloženou na dvou kuličkových ložiscích. Ideální pro cykliku vrtulníků velikosti 700-800. Pro dokonalé chlazení i při velmi vysokém zatížení je servo uloženo v hliníkové krabičce se žebrovanou střední částí.
Zvýšené napájecí napětí 6,0-7,4 V (jmenovité).
S pomocí programátoru DSP-2 pro digitální serva MKS můžete programovat celou řadu parametrů serva:
Neutral (Neutrál): Nastavuje šířku řídících impulsů v neutrálu/středové poloze serva.
Max_PWM (Max. šířka impulsu): Horní hranice šířky řídících impulsů a tomu odpovídající velikost výchylky serva bude omezena touto hodnotou.
Min_PWM (Min. šířka impulsu): Spodní hranice šířky řídících impulsů a tomu odpovídající velikost výchylky serva bude omezena touto hodnotou.
Reverse (Reverzace): Obrací smysl výchylky serva.
Dead_Band (Pásmo necitlivosti): Šířka pásma necitlivosti udává velikost změny šířky impulsů řídícího signálu, při níž ještě nedochází ke změně polohy výstupní hřídele/páky serva.
CMD_Lost (Zapnout Fail-safe): V případě ztráty řídícího signálu servo přejde do přednastavené nouzové polohy odpovídající hodnotě „CMD_Position“ (Nouzová výchylka).
CMD_Position (Nouzová výchylka): Je-li zapnuta volba „CMD_Lost“ (Zapnout Fail-safe), nastavuje nouzovou výchylku serva v případě ztráty signálu
CMD_Time (Vyčkávací doba): Servo přejde na nouzovou výchylku „CMD_Position“ po uplynutí času „CMD Time“ (Vyčkávací doba) v případě ztráty signálu
| Velikost serva | Standard |
| Typ serva | Digitální |
| Programovatelný | Ano |
| Tah při 6,0 V [kg∙cm] | 18.2 |
| Tah při 7,4 V [kg∙cm] | 22.5 |
| Tah při 8,2 V [kg∙cm] | 24.9 |
| Rychlost při 6,0 V [s/60st.] | 0.1 |
| Rychlost při 7,4 V [s/60st.] | 0.079 |
| Rychlost při 8,2 V [s/60st.] | 0.071 |
| Šířka řídícího impulsu v neutrálu [µs] | 1520 |
| Opakovací frekvence [Hz] | 333 |
| Pásmo necitlivosti [ms] | 0.0008 |
| Převody serva | Kovové |
| Kuličková ložiska | 2× |
| Highvoltage | Ano |
| Napájení [V] | 6 - 8.4 |
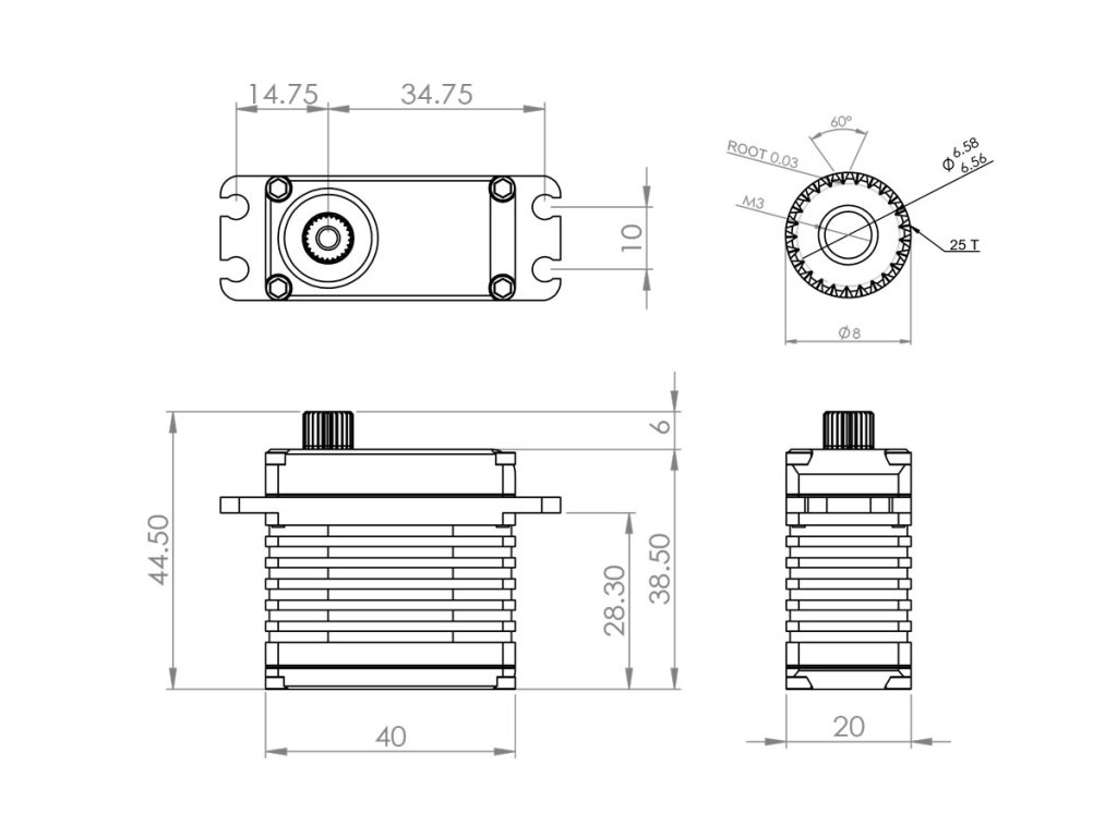
| Délka [mm] | 40 |
| Šířka [mm] | 20 |
| Výška [mm] | 38.5 |
| Hmotnost [g] | 73 |
| Určeno pro | Letadla,Vrtulníky |
| Typ motoru serva | Brushless |
Doplňkové parametry
| Kategorie: | Digitální |
|---|---|
| EAN: | 4710150350172 |



